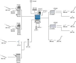
Equipement standard/en option (AccurioPrint C2060L)
Accueil
FAQ
Plan du site
Recherche
Guide de l'utilisateur
Accueil
Configuration
Equipement standard/en option (AccurioPrint C2060L)
Equipement standard/en option (AccurioPrint C2060L)
Le
contrôleur d'image IC-313
ne prend pas en charge AccurioPrint C2060L.